阀门型号编制说明
| D | 3 | 7 | 3 | H | -16 | C |
| 阀门类型 | 动作方式 | 连接方式 | 阀门结构 | 密封材料 | 公称压力 | 阀体材质 |
| D:蝶阀 | 3:涡轮 | 7:对夹 | 3:三偏心 | H:硬密封 | 16:1.6MPa | C:碳钢 |
| 无:手柄 | 4:对夹 | F:PTFE | 10:1.0MPa | P:不锈钢304 | ||
| 25:2.5MPa | R:不锈钢316 |
■ 手动硬密封蝶阀 产品特点
三偏心多层次手动硬密封蝶阀是我公司新开发的长寿命、无泄漏、节能型蝶阀。结合国内外先进技术,采用三维偏心原理设计,密封圈采用硬软兼具的多层次结构。适用于介质温度≤550℃的冶金、电力、石油、化工及给排水等介质管道上作调节流量的截断流体,密封性能可靠。
1、流体阻力小,密封面受冲击侵蚀小,不改变介质流向,不扰流,压降小,启闭力矩小,工艺性能好和适用的压力、温度范围广。
2、采用三偏心斜锥面密封,利用蝶板摆动接触密封、密封启闭无磨损,关闭时具有越关越紧,密封性能越可靠,开启确保密封面完全脱离接触,确保密封面不损伤。
3、当阀门开启时,蝶板与阀座在关闭时瞬间接触,利用蝶板偏心1、偏心2迅速脱离阀座,降低了密封副的磨损,磨擦力矩小,开启灵活。偏心锥面3使阀门在开启或关闭时蝶板能通过阀座内孔,实现接触密封。另外,锥形蝶板的旋转半径大于密封副接触位置的旋转半径,故蝶板在阀门关闭时将出现越关越紧,能够实现自锁,防止蝶板过位。
4、密封面选择D507Mo和钴基硬质合金等材料制作,具有耐腐蚀、耐高温、使用寿命长的特点,克服了高温使用时热膨胀阀门易泄漏的缺点。
5、蝶板密封圈采用软硬层叠式金属片,它具有弹性密封和软硬多层次密封兼容的双重特点,无论在抗腐蚀、耐高温的情况下,均有良好的密封性。
6、常规高性能蝶阀是双偏心设计,详见图中a、b(即驱动轴偏离法兰中心线和偏离密封面中心线)而三偏心蝶阀在此基础上将阀座中心线在与阀体中心线形成一个ß角偏置,使得蝶阀在启闭过程中,蝶板的密封面在开启瞬间立即脱离阀座密封面,而在关闭瞬间才会接触并压紧密封面。当完全开启时,两密封面之间形成一个间隙C,这种设计彻底消除了两密封面之间的机械磨损和擦伤,并改密封副之间的过盈密封为接触性密封,使蝶阀的密封性能和使用寿命都得到大大提高。
■ 手动硬密封蝶阀 主要零件材质
| 零件名称 | 材 料 |
| 阀 体 | 铸钢、不锈钢、铬钼钢、合金钢等特殊材料 |
| 蝶 板 | 铸钢、不锈钢、铬钼钢、合金钢等特殊材料 |
| 密 封 圈 | 多层次不锈钢合金、PTFE |
| 阀 杆 | 2Cr13、1Cr13不锈钢、铬钼钢、17-4PH |
| 填 料 | 柔性石墨 |
| 公称通径 | DN(mm) | 50~1200 | ||
| 公称压力 | PN(MPa) | 1.6 | 2.5 | 4.0 |
| 试验压力(MPa) | 强度试验 | 2.4 | 3.75 | 6.0 |
| 密封试验(水) | 1.76 | 2.75 | 4.4 | |
| 密封试验(气) | 0.6 | |||
| 泄 漏 量 | A级(零泄漏) D级(1×DNmm3/s) | |||
| 设 计 标 准 | GB/T12238-1989 JB/T 8527-97 | |||
| 法兰连接尺寸 | GB9113.1-9113.26 JB/T74-90 | |||
| 结 构 长 度 | GB/T12221-1989 | |||
| 压 力 试 验 | GB/T13927-92;JB/T9092-1999 | |||
| 适用介质 | 水,污水,蒸汽,空气,各种油类,酸类,碱类,盐类等。 | |||
| 适用温度 | -29℃—425℃(碳钢),-40℃—550℃(不锈钢、铬钼钢) | |||
| 驱动方式 | 涡轮蜗杆 | |||

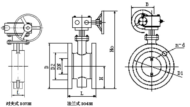
■ 手动硬密封蝶阀 连接尺寸PN10 单位:mm
| DN | D | D1 | D2 | H | 法兰L | 对夹L | B | H0 | n-d |
| 50 | 165 | 125 | 99 | 83 | 108 | 43 | 150 | 390 | 4-18 |
| 65 | 185 | 145 | 118 | 93 | 112 | 46 | 150 | 405 | 4-18 |
| 80 | 200 | 160 | 132 | 100 | 114 | 49 | 150 | 430 | 4-18 |
| 100 | 220 | 180 | 156 | 110 | 127 | 56 | 150 | 470 | 8-18 |
| 125 | 250 | 210 | 184 | 125 | 140 | 64 | 300 | 615 | 8-18 |
| 150 | 285 | 240 | 211 | 143 | 140 | 70 | 300 | 645 | 8-23 |
| 200 | 340 | 295 | 266 | 170 | 152 | 71 | 300 | 770 | 8-23 |
| 250 | 395 | 350 | 319 | 196 | 165 | 76 | 300 | 865 | 12-23 |
| 300 | 445 | 400 | 370 | 223 | 178 | 83 | 300 | 950 | 12-23 |
| 350 | 505 | 460 | 429 | 253 | 190 | 92 | 300 | 995 | 16-23 |
| 400 | 565 | 515 | 480 | 283 | 216 | 102 | 380 | 1115 | 16-25 |
| 450 | 615 | 565 | 530 | 308 | 222 | 114 | 380 | 1190 | 20-25 |
| 500 | 670 | 620 | 582 | 336 | 229 | 127 | 380 | 1305 | 20-25 |
| 600 | 780 | 725 | 682 | 390 | 267 | 154 | 380 | 1365 | 20-30 |
| 700 | 895 | 840 | 794 | 398 | 292 | 165 | 450 | 1550 | 24-30 |
| 800 | 1015 | 950 | 901 | 508 | 318 | 190 | 450 | 1665 | 24-34 |
| 900 | 1115 | 1050 | 1001 | 558 | 330 | 203 | 570 | 1870 | 28-34 |
| 1000 | 1230 | 1160 | 1112 | 625 | 410 | 216 | 570 | 1970 | 28-36 |
| 1200 | 1450 | 1380 | 1325 | 725 | 470 | 254 | 570 | 2240 | 32-39 |
■ 手动硬密封蝶阀 连接尺寸PN16 单位:mm
| DN | D | D1 | D2 | H | 法兰L | 对夹L | B | H0 | n-d |
| 50 | 165 | 125 | 99 | 83 | 108 | 43 | 150 | 390 | 4-18 |
| 65 | 185 | 145 | 118 | 93 | 112 | 46 | 150 | 405 | 4-18 |
| 80 | 200 | 160 | 132 | 100 | 114 | 49 | 150 | 430 | 8-18 |
| 100 | 220 | 180 | 156 | 110 | 127 | 56 | 150 | 470 | 8-18 |
| 125 | 250 | 210 | 184 | 125 | 140 | 64 | 300 | 615 | 8-18 |
| 150 | 285 | 240 | 211 | 143 | 140 | 70 | 300 | 645 | 8-23 |
| 200 | 340 | 295 | 266 | 170 | 152 | 71 | 300 | 770 | 12-23 |
| 250 | 405 | 355 | 319 | 203 | 165 | 76 | 300 | 865 | 12-23 |
| 300 | 460 | 410 | 370 | 230 | 178 | 83 | 300 | 950 | 12-27 |
| 350 | 520 | 470 | 429 | 260 | 190 | 92 | 300 | 995 | 16-27 |
| 400 | 580 | 525 | 480 | 290 | 216 | 102 | 380 | 1115 | 16-27 |
| 450 | 640 | 585 | 548 | 320 | 222 | 114 | 380 | 1190 | 20-30 |
| 500 | 715 | 650 | 609 | 358 | 229 | 127 | 380 | 1305 | 20-30 |
| 600 | 840 | 770 | 720 | 420 | 267 | 154 | 380 | 1365 | 20-36 |
| 700 | 910 | 840 | 497 | 455 | 292 | 165 | 450 | 1550 | 24-36 |
| 800 | 1025 | 950 | 601 | 513 | 318 | 190 | 450 | 1665 | 24-39 |
| 900 | 1125 | 1050 | 1001 | 563 | 330 | 203 | 570 | 1870 | 28-39 |
| 1000 | 1255 | 1170 | 1112 | 628 | 410 | 216 | 570 | 1970 | 28-42 |
| 1200 | 1485 | 1390 | 1328 | 743 | 470 | 254 | 570 | 2240 | 32-48 |
■ 手动硬密封蝶阀 连接尺寸PN25 单位:mm
| DN | D | D1 | D2 | H | 法兰L | 对夹L | B | H0 | n-d |
| 50 | 165 | 125 | 99 | 83 | 108 | 43 | 150 | 390 | 4-18 |
| 65 | 185 | 145 | 118 | 93 | 112 | 46 | 150 | 405 | 8-18 |
| 80 | 200 | 160 | 132 | 100 | 114 | 49 | 150 | 430 | 8-18 |
| 100 | 235 | 190 | 156 | 118 | 127 | 56 | 300 | 470 | 8-23 |
| 125 | 270 | 220 | 184 | 135 | 140 | 64 | 300 | 615 | 8-27 |
| 150 | 300 | 250 | 211 | 150 | 140 | 70 | 300 | 645 | 8-27 |
| 200 | 360 | 310 | 274 | 180 | 152 | 71 | 300 | 770 | 12-27 |
| 250 | 425 | 370 | 330 | 213 | 165 | 76 | 300 | 865 | 12-30 |
| 300 | 485 | 430 | 389 | 243 | 178 | 83 | 300 | 950 | 16-30 |
| 350 | 555 | 490 | 448 | 278 | 190 | 92 | 380 | 995 | 16-36 |
| 400 | 620 | 550 | 503 | 310 | 216 | 102 | 380 | 1115 | 20-36 |
| 450 | 670 | 600 | 548 | 335 | 222 | 114 | 380 | 1190 | 20-36 |
| 500 | 730 | 660 | 609 | 365 | 229 | 127 | 380 | 1305 | 20-39 |
| 600 | 845 | 770 | 720 | 423 | 267 | 154 | 450 | 1365 | 24-42 |
| 700 | 960 | 875 | 820 | 480 | 292 | 165 | 450 | 1550 | 24-48 |
| 800 | 1085 | 990 | 928 | 543 | 318 | 190 | 570 | 1665 | 28-48 |
| 900 | 1185 | 1090 | 1028 | 593 | 330 | 203 | 570 | 1870 | 28-56 |
| 1000 | 1320 | 1210 | 1140 | 660 | 410 | 216 | 570 | 1970 | 32-56 |
| 1200 | 1530 | 1420 | 1350 | 765 | 470 | 254 | 570 | 2240 | 32-56 |

