阀门型号编制说明
| D | 3 | 4 | 1 | X | -16 | C |
| 阀门类型 | 动作方式 | 连接方式 | 阀门结构 | 密封材料 | 公称压力 | 阀体材质 |
| D:蝶阀 | 3:涡轮 | 4:法兰 | 1:中线 | X:橡胶 | 16:1.6MPa | 铸铁省略 |
| 无:手柄 | 10:1.0MPa | C:碳钢 |
■手动中线法兰蝶阀 产品特点
手动中线法兰蝶阀主要适用于水厂、电厂、钢厂冶炼、造纸、化工等系统供排水用,尤其适用自来水管路上作为调节流量设备使用,可取代闸阀。
1、克服了普通偏心法兰蝶阀对介质适应性差的缺点,具备了偏心法兰蝶阀和中线对夹蝶阀的部分优点,填补了偏心法兰蝶阀和中线对夹蝶阀之间的一块空白,是使用工况介于两者之间的最佳选择。
2、双向密封性能优良,零件加工性能优越。安装方便,立式,卧式安装均可。
3、操作扭矩小,省力轻巧。上法兰采用国际标准,适配涡轮,气动和电动等各种控制装置。
4、密封副材料的多样性,可适用各种不同介质。流量特性趋于线性,调节性能最佳。
5、法兰密封面采用两道O型圈加一道真空带与管道法兰连接,达到良好的密封效果。
■手动中线法兰蝶阀 主要技术参数
公称通径 | DN(mm) | 50~1200 | |
公称压力 | PN(MPa) | 1.0 | 1.6 |
试验压力(MPa) | 强度试验 | 1.5 | 2.4 |
密封试验(水) | 1.1 | 1.76 | |
密封试验(气) | 0.6 | ||
泄 漏 量 | A级(零泄漏) | ||
设计标准 | GB/T12238-1989 | ||
法兰连接尺寸 | GB/T9115.1-2000 | ||
结构长度 | GB/T12221-1989 | ||
侧法兰连接 | GB/T17241.6-1998 | ||
压力试验 | GB/T1 3927-9 | ||
适用介质 | 水,污水,蒸汽,空气,各种油类,酸类,碱类,盐类等。 | ||
适用温度 | -29℃—150℃ | ||
驱动方式 | 涡轮蜗杆 | ||
■手动中线法兰蝶阀 主要零件材质
| 零件名称 | 材料 |
| 阀 体 | 灰铸铁、球墨铸铁、铸钢 |
| 蝶 板 | 球墨铸铁、CF8、CF8M、尼龙11、1.4529、2507 |
| 密 封 圈 | 丁晴橡胶,乙丙橡胶,氟橡胶,聚四氟乙烯,氯丁橡胶 |
| 阀 杆 | 2Cr13、1Cr13不锈钢、CF8、CF8M、17-4PH |

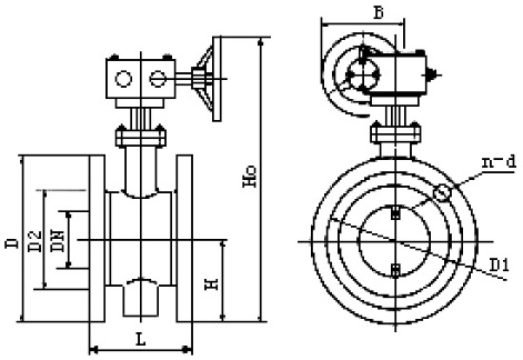
■手动中线法兰蝶阀 连接尺寸 单位:mm
| DN | L | PN10 | PN16 | H0 | H | ||||||
| D | D1 | D2 | n-d | D | D1 | D2 | n-d | ||||
| 50 | 108 | 165 | 125 | 99 | 4-19 | 165 | 125 | 99 | 4-19 | 310 | 80 |
| 65 | 112 | 185 | 145 | 118 | 4-19 | 185 | 145 | 118 | 4-19 | 333 | 89 |
| 80 | 114 | 200 | 160 | 132 | 8-19 | 200 | 160 | 132 | 8-19 | 423 | 95 |
| 100 | 127 | 220 | 180 | 156 | 8-19 | 220 | 180 | 156 | 8-19 | 440 | 114 |
| 125 | 140 | 250 | 210 | 184 | 8-19 | 250 | 210 | 184 | 8-19 | 455 | 125 |
| 150 | 140 | 285 | 240 | 211 | 8-23 | 285 | 240 | 211 | 8-23 | 510 | 142 |
| 200 | 152 | 340 | 295 | 266 | 8-23 | 340 | 295 | 266 | 12-23 | 614 | 170 |
| 250 | 165 | 395 | 350 | 319 | 12-23 | 405 | 355 | 319 | 12-28 | 680 | 198 |
| 300 | 178 | 445 | 400 | 370 | 12-23 | 460 | 410 | 370 | 12-28 | 776 | 223 |
| 350 | 190 | 505 | 460 | 429 | 16-23 | 520 | 470 | 429 | 16-28 | 840 | 260 |
| 400 | 216 | 565 | 515 | 480 | 16-28 | 580 | 525 | 480 | 16-31 | 858 | 290 |
| 450 | 222 | 615 | 565 | 530 | 20-28 | 640 | 585 | 548 | 20-34 | 993 | 320 |
| 500 | 229 | 670 | 620 | 582 | 20-28 | 715 | 650 | 609 | 20-34 | 1056 | 400 |
| 600 | 267 | 780 | 725 | 682 | 20-31 | 840 | 770 | 720 | 20-37 | 1161 | 457 |
| 700 | 292 | 895 | 840 | 794 | 24-31 | 910 | 840 | 794 | 24-37 | 1328 | 490 |
| 800 | 318 | 1050 | 950 | 901 | 24-34 | 1025 | 950 | 901 | 24-40 | 1443 | 525 |
| 900 | 330 | 1115 | 1050 | 1001 | 28-34 | 1125 | 1050 | 1001 | 28-40 | 1543 | 570 |
| 1000 | 410 | 1230 | 1160 | 1112 | 28-37 | 1255 | 1170 | 1112 | 28-43 | 1653 | 645 |
| 1200 | 470 | 1455 | 1380 | 1328 | 32-40 | 1485 | 1390 | 1328 | 32-49 | 1878 | 785 |

