上一条:气动调节蝶阀
■ 阀门型号编制说明
T | D | 6 | 7 | 1 | X | -10 | S |
控制方式 | 阀门类型 | 动作方式 | 连接方式 | 阀门结构 | 密封材料 | 公称压力 | 阀体材质 |
T:调节型 | D:蝶阀 | 6:气动 | 7:对夹 | 1:中线 | X:橡胶 | 10:1.0MPa | S:UPVC |
开关省略 |
|
|
|
|
| 6:0.6MPa |
|
■ UPVC气动蝶阀 产品特点
UPVC气动蝶阀重量轻、耐腐蚀性强,被应用于多个领域,如一般纯水和生饮水的管路系统、排水和污水管路系统、排水和污水管路系统、盐水和海水管路系统、酸碱和化学溶液系统等多个行业,品质得到广大用户的认可.
1.使用温度范围广:-20℃~+80℃
2.具有极佳的强度和韧性
3.具有优良的耐化学腐蚀性能
4.阻燃性能为自熄性
5.地热传导性能,约为钢材的1/200
6.介质中重离子含量达超纯水标准
7.卫生指标符合国家卫生标准要求
8.管壁平洁光滑,输送流体时具有较小的摩擦阻力和附着力
9.重量轻,相当于钢管的1/5,铜管的1/6
10.安装方便,可采用法兰、螺纹、由令等方式连接
11.优异的抗老化和抗紫外线性能,使正常使用寿命比其它管道系统均有很大的延长
■ UPVC气动蝶阀 产品用途:
UPVC气动蝶阀作为工业自动化控制系统中的重要执行机构,可远距离集中控制能满足计算机程控的需要;如今在石油化工、燃气设备、核工业、电力装备、环保水处理、暖通空调、钢铁冶金、工业窑炉、罐装设备、酿酒设备、干燥设备、真空设备、表面处理、生物制药、食品机械、纺织印染、造纸等行业中得到广泛的使用,也是国防建设、科技 建设的首选产品。
■ UPVC气动蝶阀 技术参数
公称通径 | DN(mm) | 40~600 | |||
公称压力 | PN(MPa) | 1.0 | |||
泄 漏 量 | A级(零泄漏) | ||||
连接方式 | 对夹 | ||||
法兰连接尺寸 | JB/T74-90 GB9113.1-9113.26 | ||||
压 力 试 验 | GB/T 13927 | ||||
适用介质 |
| ||||
适用温度 | -20℃—80 | ||||
驱动方式 | 气 动 | ||||
气动执行器 | ZTA双作用、ZTA单作用(弹簧复位)、AW型 | ||||
控制形式 | 开关型/模拟量调节型 | ||||
可选控制附件 | 电磁换向阀 | AC220V/DC24V | |||
单作用 | 二位三通 | ||||
双作用 | 二位五通 | 单电控 | |||
双电控 | |||||
限位开关 | 机械式 | ||||
感应式 | |||||
电气定位器 | 输入:4-20mA | ||||
输入/输出:4-20mA | |||||
手操机构 | |||||
气源处理三联件 | |||||
■ UPVC气动蝶阀控制附件选型
附件名称 | 功 能 说 明 |
电磁换向阀 | 电磁换向阀是气动蝶阀的必配附件,让气动蝶阀产生打开和关闭的动作。双作用气动蝶阀应该选用二位五通电磁换向阀,单电控(单线圈,得电或失电)或双电控(双线圈,分别得电,具有记忆功能);单作用气动蝶阀,气源故障时,气缸内部弹簧可以让阀门归位,应该选用二位三通电磁阀。 |
电气定 位器 | 电气定位器的作用是接收PLC的4~20mA或0-10V模拟信号,控制阀门的百分比开度大小。 |
限位开 关 | 限位开关功能是向远程反馈无源或有源触点信号,用来验证阀门是否处于开和关的位置。 |
手操机 构 | 手操机构的作用是当气源故障时,可以手动来操作阀门,带有自动/手动切换装置。 |
气源处 理三联件 | 气源处理三联件的作用是对气源进行减压稳压和过滤杂质,以及供油润滑电磁换向阀。 |
选型说明 | 以上附件为可选择配件,可根据需求来选择。公司气动蝶阀报价默认为不选择以上控制附件。电磁换向阀有AC220V或DC24V可选,以及防爆或非防爆。限位开关有机械式和感应式,也有防爆或非防爆可选。 |
■ UPVC气动蝶阀 主要零件材质
零件名称 | 材 料 |
气动执行器 | 铝合金 |
阀 体 | PVC-U、PVC-C、PP+GF |
蝶 板 | PVC-U、PVC-C、PP+GF |
密 封 圈 | EPDM、FPM |
阀 杆 | 2Cr13、CF8、CF8M |

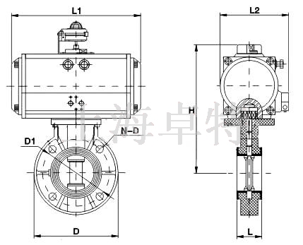
■ UPVC气动蝶阀外形尺寸 单位:mm
DN | L | L1 | L2 | D | D1 | N-D | H | 工作压力mpa | 气执行器选配 (双作用) |
40 | - | - | - | - | - | - | - | - | - |
50 | 40 | 160 | 72 | 160 | 125 | 4-18 | 192 | 0.7 | ZTA-52 |
65 | 46 | 190 | 83 | 185 | 145 | 4-18 | 210 | 0.7 | ZTA-63 |
80 | 46 | 190 | 83 | 195 | 160 | 8-18 | 228 | 0.7 | ZTA-63 |
100 | 54 | 206 | 95 | 215 | 180 | 8-18 | 260 | 0.6 | ZTA-75 |
125 | 70 | 216 | 103 | 250 | 210 | 8-18 | 297 | 0.5 | ZTA-83 |
150 | 74 | 260 | 109 | 285 | 240 | 8-22 | 318 | 0.5 | ZTA-92 |
200 | 87 | 286 | 120 | 340 | 295 | 8-22 | 368 | 0.4 | ZTA-105 |
250 | 114 | 340 | 143 | 395 | 350 | 12-22 | 535 | 0.3 | ZTA-125 |
300 | 114 | 412 | 152 | 445 | 400 | 12-22 | 603 | 0.3 | ZTA-140 |
350 | 127 | 480 | 174 | 505 | 460 | 16-22 | 688 | 0.3 | ZTA-160 |
400 | 140 | 538 | 206 | 580 | 515 | 16-22 | 787 | 0.3 | ZTA-190 |
450 | 152 | 568 | 226 | 615 | 565 | 20-26 | 862 | 0.2 | ZTA-210 |
500 | 152 | 660 | 260 | 670 | 620 | 20-26 | 951 | 0.2 | ZTA-240 |
600 | 178 | 660 | 260 | 780 | 725 | 20-30 | 1056 | 0.2 | ZTA-240 |