阀门型号编制说明
| Q | 3 | 4 | 1 | F | -16 | P |
| 阀门类型 | 动作方式 | 连接方式 | 阀门结构 | 密封材料 | 公称压力 | 阀体材质 |
| Q:球阀 | 3:涡轮 | 4:法兰 | 1:浮动球 | F:聚四氟乙烯 | 16:1.6MPa | C:碳钢 |
| 无:手柄 | PPL:对位聚苯 | 25:2.5MPa | P:不锈钢304 | |||
| H:硬密封 | 40:4.0MPa | R:不锈钢316 |
■ 手动法兰球阀 产品特点
1,手动法兰球阀是所有阀类中流阻最小的一种,开关迅速方便,只要球体转动90°就完成了全开或全关动作,实现快速启闭。
2,双向密封,密封性能好。阀座一般采用聚四氟乙烯材料。由于浮动球阀的球体是浮动的,在介质压力作用下,球体能向出口端方向产生一定的位移并紧压在出口端的密封面上,而且密封力随着介质压力的增加而增大。
3,阀杆采用防吹出结构设计,即使出现阀腔异常升压以及填料压块失效情况下也能保证阀杆不会被介质吹出,而且阀杆采用下装设计,阀杆的倒密封也随着介质压力的增加而增大。
4,阀杆填料采用V型密封结构,V型填料能够将填料压盖的压紧力及介质力有效的转化为阀杆的密封力。将传统的填料压盖改为填料压板与填料压套的两体式结构设计,填料压套与填料压板采用球形接触,确保填料压盖始终垂直,并在填料压套内部设置了聚四氟乙烯衬套,避免了阀杆与填料压套的擦伤与磨损,减小了阀门的操作力矩。
5,可以根据客户要求设置防静电结构,通过阀杆使球体和阀体之间形成静电通道,从而可将球体与阀座开关过程中产生的静电通过阀体引到大地,防止静电火花可能引起的火灾或爆炸危险。
6,因球阀开关只作90°转动,因此容易实现自动化控制和远距离控制,可配置气动、电动等装置。
■ 手动法兰球阀 主要零件材质
| 零件名称 | 材 料 |
| 阀 体 | 铸钢、不锈钢304、不锈钢316、 |
| 球 体 | 2Cr13、304、316、2Cr13+渗氮、304+渗氮、316+渗氮 |
| 密 封 圈 | PTFE、PPL、2Cr13、304+渗氮、316+渗氮 |
| 阀 杆 | 2Cr13、304、316 |
| 填 料 | 氟塑料、柔性石墨 |
■ 手动法兰球阀 采用标准 安装执行器及附件 气动执行器、电动执行器 | ![]() |
■ 手动法兰球阀 主要技术参数
| 公称通径 | DN(mm) | 15~250 | |||
| 公称压力 | PN(MPa) | 1.6 | 2.5 | 4.0 | 6.4 |
| 试验压力 | 强度试验 | 1.76 | 2.75 | 6.0 | 9.6 |
| 密封试验 | 0.6 | 0.6 | 0.6 | 0.6 | |
| 泄 漏 量 | 软密封:A级(零泄漏) 硬密封:D级(1×DNmm3/s) | ||||
| 适用介质 | 水,污水,空气,蒸汽,各种油类,酸类,碱类,盐类等。 | ||||
| 适用温度 | 聚四氟乙烯≤150℃,对位聚苯≤300℃,硬密封≤550℃ | ||||
| 驱动方式 | 手柄、涡轮蜗杆 | ||||

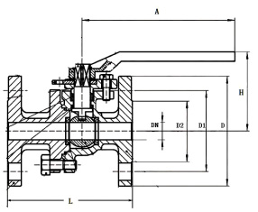
■ 手动法兰球阀 连接尺寸(PN16\PN25) 单位:mm
| DN | PN16 | PN25 | L | ||||||||
| D | D1 | L | H | n-d | D | D1 | D2 | H | n-d | ||
| 15 | 95 | 65 | 130 | 59 | 4-14 | 95 | 65 | 46 | 59 | 4-14 | 130 |
| 20 | 105 | 75 | 140 | 63 | 4-14 | 105 | 75 | 56 | 63 | 4-14 | 140 |
| 25 | 115 | 85 | 150 | 75 | 4-14 | 115 | 85 | 65 | 75 | 4-14 | 150 |
| 32 | 135 | 100 | 165 | 87 | 4-18 | 135 | 100 | 76 | 87 | 4-18 | 165 |
| 40 | 145 | 110 | 180 | 97 | 4-18 | 145 | 110 | 84 | 97 | 4-18 | 180 |
| 50 | 165 | 125 | 200 | 107 | 4-18 | 165 | 125 | 99 | 107 | 4-18 | 200 |
| 65 | 185 | 145 | 220 | 142 | 4-18 | 185 | 145 | 118 | 142 | 8-18 | 220 |
| 80 | 200 | 160 | 250 | 152 | 8-18 | 200 | 160 | 132 | 152 | 8-18 | 250 |
| 100 | 220 | 180 | 280 | 178 | 8-18 | 235 | 190 | 156 | 178 | 8-23 | 280 |
| 125 | 250 | 210 | 320 | 252 | 8-18 | 270 | 220 | 184 | 252 | 8-27 | 320 |
| 150 | 285 | 240 | 360 | 272 | 8-23 | 300 | 250 | 211 | 272 | 8-27 | 360 |
| 200 | 340 | 295 | 400 | 342 | 12-23 | 360 | 310 | 274 | 342 | 12-27 | 400 |
| 250 | 405 | 355 | 450 | 345 | 12-23 | 425 | 370 | 330 | 345 | 12-30 | 450 |
| DN | PN40 | PN64 | H | ||||||||
| D | D1 | D2 | L | n-d | D | D1 | D2 | L | n-d | ||
| 15 | 95 | 65 | 46 | 130 | 4-14 | 105 | 75 | 55 | 165 | 4-14 | 59 |
| 20 | 105 | 75 | 56 | 140 | 4-14 | 130 | 90 | 68 | 190 | 4-18 | 63 |
| 25 | 115 | 85 | 65 | 150 | 4-14 | 140 | 100 | 78 | 216 | 4-18 | 75 |
| 32 | 135 | 100 | 76 | 165 | 4-18 | 155 | 110 | 82 | 229 | 4-23 | 87 |
| 40 | 145 | 110 | 84 | 180 | 4-18 | 170 | 125 | 95 | 241 | 4-23 | 97 |
| 50 | 165 | 125 | 99 | 200 | 4-18 | 180 | 135 | 105 | 292 | 4-23 | 107 |
| 65 | 185 | 145 | 118 | 220 | 8-18 | 205 | 160 | 130 | 330 | 8-23 | 142 |
| 80 | 200 | 160 | 132 | 250 | 8-18 | 215 | 170 | 140 | 356 | 8-23 | 152 |
| 100 | 235 | 190 | 156 | 280 | 8-23 | 250 | 200 | 168 | 432 | 8-26 | 178 |
| 125 | 270 | 220 | 184 | 320 | 8-27 | 295 | 240 | 202 | 508 | 8-30 | 252 |
| 150 | 300 | 250 | 211 | 360 | 8-27 | 345 | 280 | 240 | 559 | 8-34 | 272 |
| 200 | 375 | 320 | 284 | 400 | 12-30 | 415 | 345 | 300 | 660 | 12-36 | 342 |
