■ 阀门型号编制说明
D | 6 | S | 4 | 1 | W | -0.5 | C |
阀门类型 | 动作方式 | 操控 | 连接方式 | 阀门结构 | 密封材料 | 公称压力 | 阀体材质 |
D:蝶阀 | 6:气动 | S:手轮 | 4:法兰 | 1:中线 | W:本体 | 0.5:0.05MPa | C:碳钢 |
|
| 无:省略 |
|
|
| 1:0.1MPa | P:不锈钢304 |
|
|
|
|
|
|
| R:不锈钢316 |
■通风气动蝶阀 产品特点
通风气动蝶阀可作为通风除尘管路双向启闭及调节,阀体为钢板焊接而成,结构短,重量轻,结构简单,操作力矩小,使用维修方便。该阀为非密封性阀门,阀板与阀体之间有膨胀间隙,能有效防止因热胀冷缩造成的卡死现象。采用适当的材料可以满足不同介质的温度以及腐蚀性。
安装双作用气动执行器和二位五通电磁换向阀,可以控制阀门的开和关;安装单作用气动执行器和二位三通电磁换向阀,不但可以控制阀门的开和关,而且能在气源发生故障时,阀门会自动停在预设的开或关的安全位置。
还可实现现场操作和远距离输入4—20mADC电流信号进行阀门开度控制。
通风气动蝶阀适用于冶金、矿山、水泥、化工、电力等行业的通风除尘及环境保护系统之中。
■通风气动蝶阀 主要零件材质
| 零件名称 | 材 料 |
| 气动执行器 | ZTA铝合金、AW铸铁 |
| 阀 体 | 铸钢、不锈钢、铬镍钼钛钢、铬钼钛钢等特殊材料 |
| 蝶 板 | 铸钢、不锈钢、铬镍钼钛钢、铬钼钛钢等特殊材料 |
| 密 封 圈 | 与阀体相同 |
| 阀 杆 | 铸钢、不锈钢、铬镍钼钛钢 |
| 填 料 | 氟塑料、柔性石墨 |
■通风气动蝶阀 密封材料选用和适用温度
| 材料品种 | 碳素钢 | 低温碳钢 | 合金钢 | 奥氏体不锈钢 | 铬钼钢 | |
| 代 号 | WCB | LCB | WC6、WC9 | C5 | 304、316 | 12CrMoV |
| 最高温度 | 425℃ | 345℃ | 595℃ | 650℃ | 600℃ | 560℃ |
| 最低温度 | -29℃ | -46℃ | -29℃ | -29℃ | -196℃ | -40℃ |
| 适用温度 | ≤425℃ | ≤345℃ | ≤595℃ | ≤650℃ | ≤600℃ | ≤560℃ |
■通风气动蝶阀 控制附件功能

■通风气动蝶阀 主要技术参数
| 公称通径 | DN(mm) | 50~1200 | |||
| 公称压力 | PN(MPa) | 0.05 | 0.10 | ||
| 试验压力 | 强度试验 | 0.075 | 0.15 | ||
| 密封试验 | ≤1.5%泄漏量 | ||||
| 设计标准 | GB/T12238-1989 JB/T8692-1998 | ||||
| 法兰连接尺寸 | GB/T9115.1-2000 | ||||
| 结构长度 | GB/T12221-1989 | ||||
| 压力试验 | GB/T1 3927-92;JB/T9092-1999 | ||||
| 适用介质 | 含尘烟气,空气,煤气等。 | ||||
| 驱动方式 | 气 动 | ||||
| 气动执行器 | ZTA双作用、ZTA单作用(弹簧复位)、AW型 | ||||
| 控制形式 | 开关型/模拟量调节型 | ||||
| 可选控制附件 | 电磁换向阀 | AC220V/DC24V | |||
| 单作用 | 二位三通 | ||||
| 双作用 | 二位五通 | 单电控 | |||
| 双电控 | |||||
| 限位开关 | 机械式 | ||||
| 感应式 | |||||
| 电气定位器 | 输入:4-20mA | ||||
| 输入/输出:4-20mA | |||||
手操机构 | |||||
气源处理三联件 | |||||

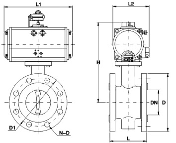
■通风气动蝶阀 外形连接尺寸 单位:mm
| DN | D | D1 | D2 | H | L | L1 | L2 | N-D | 气缸型号 |
| 100 | 205 | 170 | 145 | 278 | 127 | 190 | 83 | 4-18 | ZTA63 |
| 125 | 235 | 200 | 175 | 302 | 140 | 206 | 95 | 8-18 | ZTA75 |
| 150 | 260 | 225 | 200 | 339 | 140 | 216 | 103 | 8-18 | ZTA83 |
| 200 | 315 | 280 | 255 | 375 | 152 | 260 | 109 | 8-18 | ZTA92 |
| 250 | 370 | 335 | 310 | 423 | 165 | 286 | 120 | 12-23 | ZTA105 |
| 300 | 435 | 395 | 362 | 453 | 180 | 286 | 120 | 12-23 | ZTA105 |
| 350 | 485 | 445 | 412 | 505 | 180 | 340 | 142 | 12-23 | ZTA125 |
| 400 | 535 | 495 | 462 | 543 | 200 | 340 | 125 | 16-23 | ZTA125 |
| 450 | 590 | 550 | 518 | 595 | 200 | 412 | 152 | 16-23 | ZTA140 |
| 500 | 640 | 600 | 568 | 631 | 220 | 412 | 152 | 16-23 | ZTA140 |
| 600 | 755 | 705 | 670 | 683 | 220 | 412 | 152 | 20-26 | ZTA140 |
| 700 | 860 | 810 | 775 | 776 | 240 | 480 | 174 | 24-26 | ZTA160 |
| 800 | 975 | 920 | 880 | 887 | 240 | 538 | 206 | 24-30 | ZTA190 |
| 900 | 1075 | 1020 | 980 | 972 | 260 | 568 | 226 | 24-30 | ZTA210 |
| 1000 | 1175 | 1120 | 1080 | 1071 | 260 | 660 | 260 | 28-30 | ZTA240 |
| 1200 | 1375 | 1320 | 1280 | 1240 | 280 | 740 | 294 | 32-30 | ZTA270 |

